
Riprendiamo e concludiamo quest’oggi la serie di post sulla gassificazione andando a vedere alcune applicazioni operative nel mondo.
GASSIFICAZIONE – ALCUNI IMPIANTI
Tra le applicazioni della gassificazione risultano abbastanza note quelle per il trattamento dei rifiuti, ma come detto in precedenza un impianto di gassificazione fine a se stesso permette esclusivamente di produrre del gas di sintesi, il Syngas, dalla trasformazione termochimica del combustibile impiegato (anche se per certi versi risulta improprio chiamarlo combustibile non trattandosi di un processo di combustione).
L’applicazione della gassificazione pertanto risulta spesso applicata insieme ad un impianto che utilizza il Syngas per la sua alimentazione, e tipici esempi sono gli impianti IGCC – Integrated Gasification Combined Cycle, già menzionati la scorsa settimana.
Tra gli impianti di gassificazione, grande interesse incontra l’impiego del carbone come combustibile, materiale sul quale si discute spesso in termini ambientali, ma che, vista la grande importanza di tale risorsa sullo scenario delle fonti di tipo fossile, non può non rappresentare un punto focale di attenzione anche per il processo di gassificazione.
In genere il carbone viene utilizzato sotto forma di polverino nei tradizionali Impianti Termoelettrici a Vapore e, grazie anche ai miglioramenti delle tecnologie, convertito in energia elettrica con un rendimento che in molti casi supera il 40%.
Come ben noto i giacimenti di carbone risultano maggiormente distribuiti nel mondo rispetto al petrolio, ed in particolare è ampiamente disponibile in paesi politicamente più stabili rispetto ai principali paesi esportatori dell’oro nero, ma dall’altra parte è altrettanto noto che la combustione del carbone richiede sistemi di trattamento dei fumi piuttosto sofisticati e dispendiosi per potere rispettare le sempre più stringenti normative sulle emissioni.
La gassificazione, benché meno conveniente rispetto alla combustione diretta, può rappresentare un’alternativa ambientalmente più conveniente proprio in virtù della capacità di produrre il Syngas, ed utilizzare questo in impianti a turbina a gas, ma anche utilizzare il carbone, in certi casi unitamente ad altri materiali, per la produzione di combustibili di sintesi mediante processi chimici come il ben noto Fischers-Tropsch.
Tra i vari impianti installati nel mondo, se ne possono indicare alcuni a titolo di esempio:
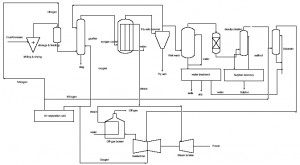
- Impianto di Buggenum: alimentato a carbone (ed integrato recentemente con biomasse per produrre idrocarburi liquidi), presenta un consumo di 2000 t/giorno di carbone e produce 250 MWe oltre a 4Mm3 di Syngas ed utilizza un gassificatore Shell.
(Schema dell’impianto di Buggenum)
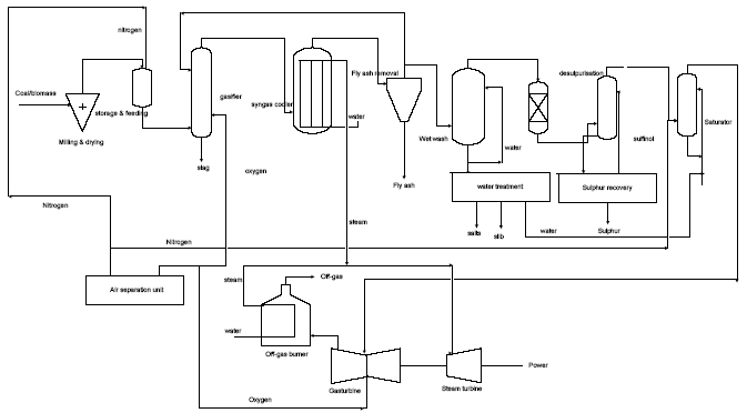
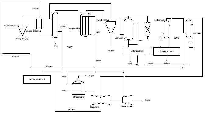
- Impianto di Polk: si tratta di un IGCC la cui produzione elettrica è di 250 MWe.
(Schema dell’impianto di Polk)
- Impianto di Sarroch (Sardegna): si tratta di un impianto IGCC che utilizza scarti pesanti della vicina raffineria Saras, altrimenti di difficile smaltimento, per produrre circa 550MWe mediante un gassificatore Texaco ed una turbina a gas GE (General Electric).
(Immagine dell’impianto della Sarlux)
- Impianto di Negishi (Giappone): impianto IGCC che opera su asfalti pesanti residui di raffineria e produce 342 MWe.
(Immagine dell’impianto di Negishi)
Con questa breve carrellata di impianti termina il post odierno, ma torneremo ancora a parlare dei temi affrontati in questa e nelle precedenti settimane e di molto altro nei prossimi appuntamenti della rubrica Energia e Futuro, naturalmente sempre su AppuntiDigitali.



